Пользуясь нашим сайтом, вы соглашаетесь с тем, что мы используем cookies.
Хорошо
Ежедневно: 09:00 - 18:00
Пользуясь нашим сайтом, вы соглашаетесь с тем, что мы используем cookies.
Хорошо
АСО ЖУ-1*В
83 400,00 р.

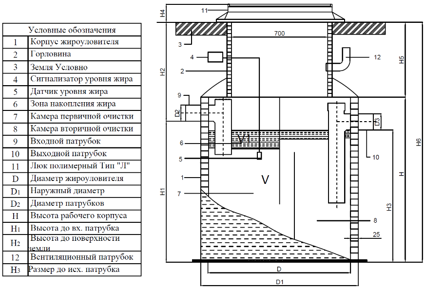
Жироуловитель вертикальный АСО ЖУ-1*В

Жироуловитель применяется там, где работа крупных промышленных объектов (например заводов по производству молока, мяса) связана с выбросом в сточные воды жиров растительного и животного происхождения. Кроме этого, подобными устройствами обязательно должны быть оборудованы объекты общественного питания, находящиеся в городской черте - столовые, рестораны и кафе.
Параметры
Значения
1.
2.
3.
4.
5.
6.
7.
9.
Производительность в литрах в секунду (л/с)
V- Рабочий объём в литрах
V1- Объём для жира в литрах при высоте слоя 300мм.
D- Внутренний диаметр корпуса в мм.
D1- Наружный диаметр корпуса в мм.
D2- Диаметр входного патрубка в мм.
D3- Диаметр отводящего патрубка в мм.
H6- Общая высота жироуловителя в мм.
H- Высота корпуса в мм.
8.
1
580
235
1050
110
110
1500
1000
1000
H5- Высота горловины в мм.
H1- Расстояние от дна до входного патрубка в мм.
H3- Расстояние от дна до отводящего патрубка в мм.
H2- Расстояние от земли до низа входного патрубка в мм
H4- Высота люка канализационного в мм.
10.
11.
12.
13.
14.
500
840
790
660
80
Made on
Tilda